玻璃鋼一體式檢查井

產品介紹

       玻璃鋼檢查井(簡稱CIC)是一種用于地下排水管道連接、檢查維護的的新型一體式檢查井,可作為標準工業產品批量生產。與傳統的檢查井相比,玻璃鋼檢查井具有輕質高強、耐腐蝕、防滲漏、使用壽命長、水力特性優良、安裝方便快捷等特性。

        玻璃鋼檢查井作為一種標準化工業產品,提高了工程施工進度和管網的可靠性,實現排水管網“零滲漏”,杜絕地下水源的二次污染,具有良好的經濟效益和社會效益。


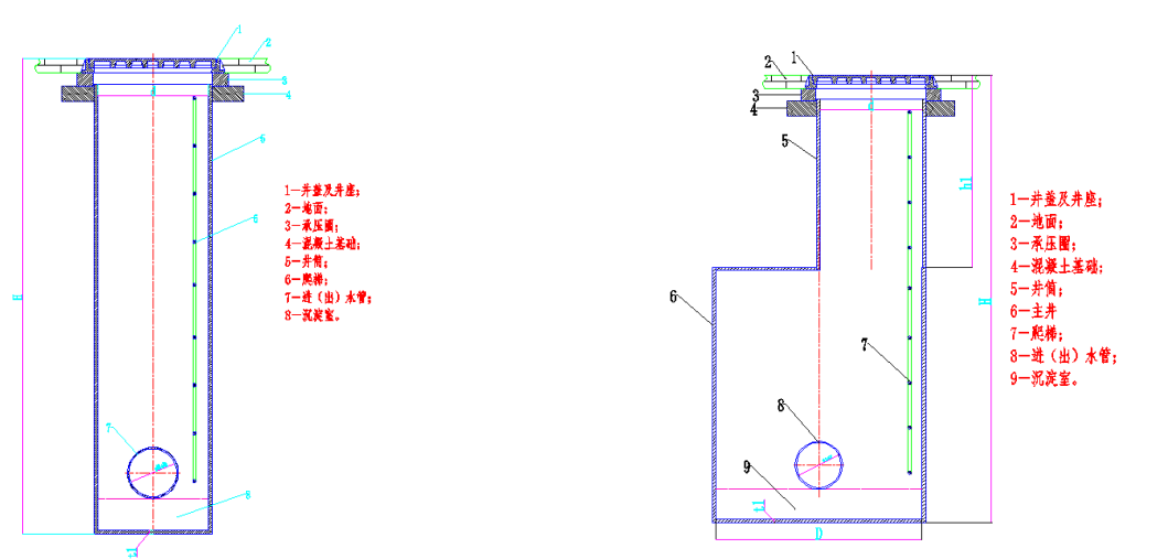
玻璃鋼檢查井分為直壁井和收口井兩種類型。

圖1.直壁井示意圖(Φ≤800)                   圖2.收口井示意圖(Φ>800)

QQ截圖20220517095000.png


微信圖片_202104261120272.jpg


微信圖片_202104261101556.jpg

?
為您報價